Ниссан Кашкай Дж11 (Nissan Qashqai J11) выпускается с 2013 года и сразу стал популярным автомобилем благодаря своему современному дизайну, экономичности и хорошей управляемости. Важным элементом любого автомобиля является подвеска, которая обеспечивает комфортную и безопасную поездку. Расшифровка и схема подвески Nissan Qashqai J11 помогут понять, как устроена подвеска этого автомобиля.
Структура подвески Nissan Qashqai J11 включает в себя несколько основных компонентов. Передняя подвеска состоит из амортизаторных стоек, пружин и карданного вала. Задняя подвеска также оснащена амортизаторными стойками и пружинами. Для улучшения управляемости и комфорта на Nissan Qashqai J11 установлен стабилизатор поперечной устойчивости.
Подвеска Nissan Qashqai J11 имеет ряд преимуществ, которые делают ее идеальной для городской езды и полноценного кроссовера. Во-первых, она обеспечивает хорошую управляемость и стабильность на дороге. Во-вторых, она позволяет поглощать вибрации и удары, что делает поездку комфортной даже на плохих дорогах. В-третьих, подвеска имеет высокую прочность и надежность, что обеспечивает долгий срок службы автомобиля.
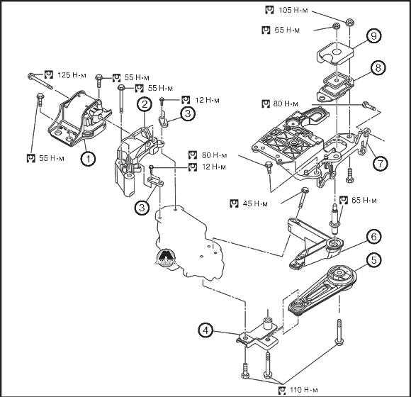
Схема подвески Nissan Qashqai J11
Подвеска Nissan Qashqai J11 состоит из нескольких компонентов, обеспечивающих комфортную и безопасную езду.
Основными элементами подвески являются:
- передний амортизатор;
- передняя пружина;
- подрамник передней подвески;
- передний стабилизатор поперечной устойчивости;
- задний амортизатор;
- задняя пружина;
- подрамник задней подвески;
- задний стабилизатор поперечной устойчивости;
- поперечные рычаги передней и задней подвески;
- шаровые опоры;
- сайлентблоки;
- рулевая трапеция и тяги рулевого управления;
- приводные валы;
- подшипники;
- ступицы и тормозные механизмы.
Все эти компоненты работают вместе, обеспечивая стабильность и комфорт при движении автомобиля. Хорошо подобранная схема подвески позволяет автомобилю справляться с перепадами дорожной покрышки и обеспечивает устойчивость на поворотах.
Расшифровка и схема подвески Nissan Qashqai J11
Подвеска Nissan Qashqai J11 имеет сложную и эффективную конструкцию, обеспечивающую комфортную поездку и хорошую управляемость автомобиля.
Структура подвески:
1. Передний мост – независимая подвеска типа MacPherson с амортизаторами и пружинами.
2. Задний мост – полузависимая подвеска с торсионной балкой и амортизаторами.
3. Поперечные рычаги – предназначены для управления колесами и контроля за движением автомобиля.
4. Амортизаторы – обеспечивают поглощение ударов и колебаний, повышая комфортность поездки.
5. Пружины – поддерживают автомобиль на определенной высоте и поглощают колебания кузова.
Расшифровка схемы подвески:
1. Передний мост:
— Левый амортизатор (1)
— Правый амортизатор (2)
— Левая пружина (3)
— Правая пружина (4)
— Левый поперечный рычаг (5)
— Правый поперечный рычаг (6)
2. Задний мост:
— Левый амортизатор (7)
— Правый амортизатор (8)
— Левая пружина (9)
— Правая пружина (10)
— Левая торсионная балка (11)
— Правая торсионная балка (12)
Все компоненты подвески взаимодействуют для обеспечения стабильности автомобиля и смягчения ударов при движении по неровностям дороги. Расшифровка и схема подвески Nissan Qashqai J11 дает полное представление о ее устройстве и позволяет легко обнаружить и устранить возможные неисправности.
Структура и компоненты подвески Nissan Qashqai J11
Подвеска Nissan Qashqai J11 представляет собой комплекс механизмов и деталей, которые обеспечивают комфорт и безопасность во время движения. Она состоит из следующих основных компонентов:
1. Амортизаторы
Амортизаторы воспринимают и поглощают удары и колебания, которые возникают при движении автомобиля. Они состоят из газовой или гидравлической пружины и поршня внутри цилиндра. Амортизаторы установлены на каждом колесе и являются основным элементом предотвращения дребезжания и потери управляемости.
2. Пружины
Пружины выполняют функцию поддержки автомобиля и амортизации ударов на дороге, предотвращая сильные сотрясения. Они установлены вокруг амортизаторов и поддерживают автомобиль в правильной высоте. Пружины могут быть различных типов: зависимые, независимые, воздушные и т. д.
3. Рычаги подвески
Рычаги подвески служат для передачи силы от колеса к раме автомобиля и обеспечивают надежную фиксацию колеса. Они устанавливаются параллельно раме и крепятся на ней с помощью специальных кронштейнов. Рычаги подвески направляют и управляют движением колеса, обеспечивая стабильность и управляемость автомобиля.
4. Шаровые опоры
Шаровые опоры соединяют рычаги подвески с колесами автомобиля. Они позволяют колесам поворачиваться и смягчают удары при прохождении неровностей дороги. Шаровые опоры состоят из внутреннего шарового сустава и внешней гайки. Они регулируются для обеспечения нужного уровня геометрии подвески и стабильности автомобиля.
Кроме основных компонентов, подвеска Nissan Qashqai J11 также включает стабилизатор поперечной устойчивости, рулевой механизм, колесные ступицы, тормоза и прочие детали. Все эти компоненты работают совместно, обеспечивая комфортное и безопасное движение автомобиля по дороге.
Знание структуры и компонентов подвески Nissan Qashqai J11 важно для понимания принципов ее работы и обслуживания автомобиля. Регулярная проверка и обслуживание подвески помогут улучшить управляемость, продлить срок службы деталей и обеспечить безопасность на дороге.
Подробное описание подвески Nissan Qashqai J11
Подвеска Nissan Qashqai J11 представляет собой независимую переднюю и заднюю подвеску, которая обеспечивает комфортную и устойчивую поездку на любой дороге. Она состоит из нескольких компонентов, каждый из которых выполняет свою роль в обеспечении хорошей управляемости и сцепления с дорогой.
Передняя подвеска
Передняя подвеска подразделена на две части — независимо подвешенную стойку колеса и втулку подшипника ступицы переднего колеса. Стойка колеса состоит из пружины, амортизатора и опорного подшипника. Пружина обеспечивает амортизацию и поддерживает вес автомобиля, а амортизатор контролирует колебания пружины и обеспечивает плавность хода.
Втулка подшипника ступицы переднего колеса служит для поддержания стабильности колеса и обеспечивает вращение колеса при повороте. Она оснащена подшипником, который позволяет колесу свободно вращаться без трения.
Задняя подвеска
Задняя подвеска Nissan Qashqai J11 также является независимой и состоит из стойки колеса, пружины, амортизатора и опорного подшипника. Структура задней подвески аналогична передней, но установлена сзади автомобиля.
Подвеска оснащена рычагами, которые обеспечивают устойчивость автомобиля при движении и поворотах. Они контролируют движение колеса вверх и вниз, поддерживая его в определенном положении и позволяя гладко преодолевать неровности дороги.
| Компонент | Функция |
|---|---|
| Стойка колеса | Поддерживает вес автомобиля и обеспечивает амортизацию |
| Втулка подшипника ступицы переднего колеса | Обеспечивает стабильность и вращение колеса |
| Амортизатор | Контролирует колебания пружины и обеспечивает плавность хода |
| Пружина | Поддерживает вес автомобиля и обеспечивает амортизацию |
| Опорный подшипник | Обеспечивает поддержку и стабильность колеса |
| Рычаги | Контролируют движение колеса и обеспечивают устойчивость |
Задняя подвеска Nissan Qashqai J11
Компоненты задней подвески
Задняя подвеска Nissan Qashqai J11 включает в себя следующие компоненты:
| Компонент | Описание |
|---|---|
| Многорычажная балка | Основной элемент задней подвески, соединяет задние дышло и стойки подвески, обеспечивает жесткость и прочность. |
| Амортизаторы | Сохраняют постоянный контакт колес с дорогой и амортизируют удары и колебания. |
| Пружины | Обеспечивают упругость и поддерживают оптимальную высоту задней части автомобиля. |
| Стабилизатор поперечной устойчивости | Предотвращает накладывание нежелательного крена и повышает устойчивость автомобиля при поворотах. |
| Подшипники и рычаги | Обеспечивают связь между многорычажной балкой, колесами и кузовом автомобиля. |
Все эти компоненты работают совместно, чтобы обеспечить надежную и комфортную заднюю подвеску автомобиля Nissan Qashqai J11.
Передняя подвеска Nissan Qashqai J11
1. Амортизаторы
Амортизаторы в передней подвеске Nissan Qashqai J11 предназначены для поглощения ударов и колебаний, возникающих при движении по неровной дороге. Они обеспечивают стабильность и комфортность езды, а также улучшают сцепление колес с дорожным покрытием.
2. Пружины
Пружины в передней подвеске Nissan Qashqai J11 служат для поддержания оптимального расстояния между кузовом и дорогой, а также для амортизации ударов и колебаний. Они являются основным элементом подвески, который обеспечивает комфортную езду и защиту автомобиля от повреждений.
3. Рычаги подвески
Рычаги подвески в передней подвеске Nissan Qashqai J11 служат для поддержания правильной геометрии колес и обеспечивают устойчивость автомобиля при движении. Они также позволяют управлять автомобилем и обеспечивают точное направление движения.
4. Рулевая тяга
Рулевая тяга в передней подвеске Nissan Qashqai J11 обеспечивает соединение рулевого управления с колесами. Она передает вращательное движение рулевого колеса на колеса автомобиля, позволяя водителю изменять направление движения.
Все эти компоненты работают вместе, чтобы обеспечить плавное и безопасное движение автомобиля. Регулярное техническое обслуживание и замена изношенных деталей позволят поддерживать оптимальную работу передней подвески Nissan Qashqai J11 и продлить срок ее службы.
Пружины и амортизаторы подвески Nissan Qashqai J11

Амортизаторы выполняют роль демпфера, управляя движением пружин. Они предотвращают чрезмерные колебания и вибрации кузова автомобиля, обеспечивая плавное и комфортное движение.
Пружины, в свою очередь, поддерживают нагрузку автомобиля и поглощают удары при прохождении неровностей дорожного покрытия. Они имеют специальную конструкцию и жесткость, которая подбирается с учетом характеристик автомобиля и его нагрузки.
Устройство и работа амортизаторов
Амортизаторы состоят из цилиндрического корпуса, поршня и штока. Внутри корпуса находится масло, которое при движении поршня через отверстия в нем прокачивается из одной полости в другую, создавая сопротивление и амортизируя колебания.
При нажатии на амортизатор, поршень передвигается внутри цилиндра, сжимая масло и уменьшая его объем. При распрямлении поршня возвращается в исходное положение, расширяя объем масла и создавая положительное давление.
Устройство и работа пружин

Пружины подвески Nissan Qashqai J11 имеют спиральную форму и изготавливаются из специальной пружинной стали. Они монтируются параллельно оси подвески и закрепляются снизу автомобиля.
Пружины поддерживают вес автомобиля и поглощают удары при движении по неровностям дороги. Они могут иметь различную жесткость, которая подбирается с учетом особенностей дорожного покрытия и комфортности движения.
Все компоненты подвески Nissan Qashqai J11 тщательно подобраны и собраны, чтобы обеспечить надежную и эффективную работу подвески автомобиля. Регулярная проверка и замена изношенных деталей позволят поддерживать оптимальное состояние подвески и обеспечить безопасность и комфорт во время движения.
Рычаги и стойки подвески Nissan Qashqai J11
Подвеска Nissan Qashqai J11 оснащена надежными и прочными рычагами и стойками, которые обеспечивают комфортную и безопасную поездку.
Рычаги подвески
Рычаги подвески Nissan Qashqai J11 имеют следующие особенности и компоненты:
| Наименование | Описание |
|---|---|
| Верхние рычаги | Соединяют стойки подвески и колесные арки. Обеспечивают горизонтальное положение колес для максимального контакта с дорогой. |
| Нижние рычаги | Соединяют стойки подвески и колесные арки. Обеспечивают вертикальное положение колес и влияют на ходовые качества автомобиля. |
| Продольные рычаги | Соединяют стойки подвески и позволяют двигаться вперед или назад, а также контролируют поперечное положение колес. |
Стойки подвески
Стойки подвески Nissan Qashqai J11 выполняют следующие функции:
- Поддерживают вертикальное положение автомобиля и поглощают удары при движении по неровностям дороги;
- Соединяют рычаги подвески с кузовом автомобиля;
- Обеспечивают управляемость и стабильность автомобиля;
- Препятствуют перекашиванию автомобиля во время поворотов.
Стойки подвески Nissan Qashqai J11 могут быть продольными или поперечными, в зависимости от их расположения на автомобиле.
Инженеры компании Nissan уделяют особое внимание качеству и долговечности рычагов и стоек подвески, чтобы обеспечить безопасность и комфорт передвижения владельцев Nissan Qashqai J11 на любых типах дорог.
Сайлентблоки подвески Nissan Qashqai J11
Сайлентблоки представляют собой резиновые элементы, которые устанавливаются между различными частями подвески, например, между поперечной рычагом и стабилизатором поперечной устойчивости. Они позволяют поглощать удары, а также уменьшают трение и шум при движении. Для подвески Nissan Qashqai J11 используются как сайлентблоки передней, так и задней подвески.
Качество сайлентблоков имеет прямое влияние на работу подвески и безопасность автомобиля в целом. Изношенные или поврежденные сайлентблоки могут привести к неправильной работе подвески, ухудшению управляемости и комфорта хода, а также повышению износа других деталей подвески.
При регулярном обслуживании автомобиля необходимо контролировать состояние сайлентблоков подвески Nissan Qashqai J11. При обнаружении признаков износа или повреждений (трещин, деформаций) сайлентблоки следует заменить. Рекомендуется устанавливать оригинальные сайлентблоки от производителя Nissan или качественные аналоги.
Траверсы и рессоры подвески Nissan Qashqai J11
Траверсы
Траверсы представляют собой горизонтальные компоненты подвески, которые связывают передние и задние колеса автомобиля, образуя так называемый подрамник. Они изготавливаются из прочных и легких материалов, таких как сталь или алюминий, для обеспечения надежности и минимального веса.
Траверсы имеют специальные отверстия и крепежные элементы, через которые крепятся другие компоненты подвески, такие как амортизаторы, стабилизаторы поперечной устойчивости и поперечные рычаги. Они обеспечивают жесткую и прочную связь всех элементов подвески, обеспечивая стабильность и контроль автомобиля при движении.
Рессоры
Рессоры представляют собой гибкие металлические пластины или листы, которые использованы для амортизации и поддержки подвески автомобиля. Они расположены между рамой и осью колеса и позволяют поглощать удары от неровностей дороги, обеспечивая более комфортную поездку пассажиров.
Рессоры обычно имеют форму треугольника или дуги, что позволяет им легко прогибаться и возвращаться в исходное положение. Они работают в паре, одна на каждое колесо, чтобы равномерно распределить нагрузку и обеспечить стабильность движения автомобиля.
В Nissan Qashqai J11 могут использоваться различные типы рессор, включая листовые рессоры, газонаполненные рессоры или пневматические рессоры. Каждый тип имеет свои преимущества и отличается в зависимости от особенностей конкретной модели автомобиля.
Важно регулярно проверять состояние траверсов и рессор, чтобы обеспечить безопасность и надежность подвески Nissan Qashqai J11. Если вы заметите признаки износа, трещин или других повреждений, рекомендуется обратиться к профессиональному автомеханику для замены или ремонта компонентов.
| Преимущества траверсов и рессор: |
|---|
| Обеспечивают стабильность и контроль автомобиля |
| Амортизируют удары и неровности дороги |
| Обеспечивают комфортную поездку пассажиров |
| Равномерно распределяют нагрузку между колесами |
Рулевая система и детали подвески Nissan Qashqai J11

Рулевая система и детали подвески Nissan Qashqai J11 отличаются эффективностью и прочностью, обеспечивая безопасную и комфортную поездку.
Рулевая система
Рулевая система Nissan Qashqai J11 основана на электроусилителе руля (EPS), который улучшает управляемость автомобиля и упрощает повороты. EPS адаптируется к скорости автомобиля и усилиям на рулевом колесе, обеспечивая легкое и плавное управление в любых условиях.
Компоненты подвески
Подвеска Nissan Qashqai J11 состоит из следующих компонентов:
Амортизаторы:
Амортизаторы играют ключевую роль в смягчении ударов и колебаний, обеспечивая баланс между комфортом и управляемостью. Они регулируют скорость сжатия и расширения, а также контролируют подвеску автомобиля во время движения.
Пружины:
Пружины подвески поддерживают вес автомобиля и амортизаторы, обеспечивая плавное движение. Они поглощают удары и колебания на неровных дорогах и помогают поддерживать оптимальный дорожный просвет.
Рычаги подвески:
Рычаги подвески соединяют кузов автомобиля с колесами. Они играют важную роль в поддержании стабильности и контроле движения. Рычаги подвески обеспечивают горизонтальное и вертикальное движение колес, обеспечивая максимальное сцепление с дорогой и предотвращая боковое скольжение.
Шаровые опоры:
Шаровые опоры позволяют рулевым кулакам двигаться вертикально и горизонтально, обеспечивая повороты и маневренность. Они также помогают поддерживать правильную геометрию подвески и улучшают управляемость автомобиля.
Стабилизатор поперечной устойчивости:
Стабилизатор поперечной устойчивости снижает сколование кузова автомобиля при поворотах и обеспечивает более плавное движение. Он улучшает управляемость и повышает устойчивость автомобиля, особенно при высоких скоростях и на неровных дорогах.
Рулевая система и детали подвески Nissan Qashqai J11 способствуют комфортному и безопасному управлению автомобилем. Они обеспечивают стабильность, устойчивость и эффективное поглощение ударов, обеспечивая качественную дорожную адаптацию.