Сцепление – одна из самых важных составляющих автомобиля, которая отвечает за передачу крутящего момента от двигателя к трансмиссии и, следовательно, к колесам. Правильная работа сцепления не только обеспечивает плавное переключение передач, но и продлевает срок службы трансмиссии, а также заметно повышает комфортность вождения.
Фольксваген Пассат Б5, несомненно, является одной из самых популярных моделей среди владельцев этой автомарки. Возможно, вам пришлось столкнуться с необходимостью регулировки сцепления, чтобы избежать проблем при переключении передач или хаотичного изменения оборотов двигателя. Не беспокойтесь, регулировка сцепления на Фольксваген Пассат Б5 не является сложной процедурой, и с нашей помощью вы сможете справиться с ней самостоятельно.
Важно! Перед тем, как приступить к регулировке сцепления на своем Фольксваген Пассат Б5, убедитесь, что руководство по эксплуатации автомобиля находится под рукой и вы ознакомились с инструкциями производителя. Также, помимо этого, рекомендуется иметь под капотом хотя бы минимальный набор инструментов, чтобы легче справляться с возникающими задачами.
Как регулировать сцепление на Фольксваген Пассат Б5
Вот несколько шагов, которые можно выполнить для корректной настройки сцепления:
Шаг 1: Подготовка.
Перед началом работы убедитесь, что автомобиль находится на плоской поверхности и отключена система подачи питания.
Шаг 2: Регулировка толкающего подшипника.
Основной элемент для регулировки сцепления — толкающий подшипник, расположенный в маховике. Вращайте колесо вала, чтобы найти максимальный расслабленный зазор между толкающим подшипником и трансмиссией. Затем открутите два болта крепления подшипника и, плавно завернув подшипник, достигните требуемого зазора между его торцом и пружиной сцепления.
Если у вас есть доступ к диагностическому сканеру, вы можете использовать его, чтобы узнать точные значения для регулировки подшипника.
Шаг 3: Регулировка натяжителя сцепления.
Перейдите под автомобиль и найдите натяжитель сцепления. Открутите его регулировочный винт для создания небольшого зазора между натяжителем и сцеплением. Затем осторожно заворачивайте регулировочный винт до тех пор, пока не достигнете требуемого зазора.
Имейте в виду, что слишком большой зазор может привести к плохому сцеплению, а слишком маленький – к износу деталей сцепления.
После регулировки сцепление необходимо проверить на функциональность и убедиться, что оно реагирует согласно вашим командам и не имеет неприятных шумов и вибраций.
Если вы не уверены в своих навыках или не имеете необходимого оборудования, лучше доверьте регулировку сцепления профессионалу, чтобы избежать потенциальных проблем и повреждений автомобиля.
Предмет регулировки сцепления
При регулировке сцепления на Фольксваген Пассат Б5 следует обратить внимание на несколько его элементов:
- Диск сцепления: является главным элементом сцепления, который соединяет двигатель и трансмиссию. При регулировке следует проверить его изношенность, наличие трещин и положение относительно маховика двигателя.
- Маховик и выжимной подшипник: маховик преобразует непостоянное вращение коленчатого вала двигателя в постоянное вращение трансмиссии. Выжимной подшипник отвечает за передачу усилия с педали сцепления на диск сцепления.
- Механизм выбора передач: включает в себя синхронизаторы и шестеренки, которые обеспечивают плавное переключение передач без ударов и скачков оборотов двигателя.
- Гидроусилитель сцепления (если установлен): отвечает за плавное и комфортное нажатие на педаль сцепления, уменьшая физическое усилие водителя.
Правильная регулировка сцепления на Фольксваген Пассат Б5 позволит устранить возможные проблемы в работе этой системы, улучшить ее характеристики и продлить срок службы автомобиля.
Необходимые инструменты для регулировки сцепления

Для правильной регулировки сцепления на автомобиле Фольксваген Пассат Б5 вам понадобятся определенные инструменты. Ниже приведен список основных инструментов, которые помогут вам выполнить эту задачу.
1. Ключ для отверток
Данный инструмент понадобится для откручивания и закручивания гайки, которая фиксирует положение педали сцепления.
2. Ключ регулировочной гайки

Этот ключ будет использоваться для регулировки положения рычага сцепления и демпфера сцепления.
Обратите внимание, что некоторые модели Фольксваген Пассат Б5 могут иметь свои особенности и требовать дополнительных инструментов. Пожалуйста, ознакомьтесь с руководством по эксплуатации вашего автомобиля и убедитесь, что у вас есть все необходимые инструменты перед началом регулировки сцепления.
Подготовка автомобиля к регулировке сцепления
Прежде чем приступить к регулировке сцепления на вашем Фольксваген Пассат Б5, необходимо правильно подготовить автомобиль. Важно соблюдать определенные шаги, чтобы обеспечить безопасность и эффективность процесса регулировки.
Вот несколько важных шагов, которые нужно выполнить:
-
Поднимите автомобиль на подъемнике: Для выполнения регулировки сцепления необходимо обеспечить доступ к элементам сцепления, что требует поднятия автомобиля на подъемнике. Проверьте, что подъемник установлен надежно и автомобиль находится в стабильном положении.
-
Установите стойку под автомобилем: Для дополнительной безопасности и предотвращения падения автомобиля с подъемника установите стойку под автомобилем. Расположите стойку на жесткой и ровной поверхности, предварительно проверив ее надежность.
-
Подготовьте необходимые инструменты: Для регулировки сцепления вам понадобятся различные инструменты, такие как гаечные ключи, отвертки и пассатижи. Убедитесь, что ваши инструменты находятся в хорошем состоянии и подходят для работы с вашим автомобилем.
-
Отключите аккумулятор: Для безопасности отключите отрицательный клеммный зажим аккумулятора. Это позволит избежать возможных электрических повреждений и обеспечит безопасную работу сцепления.
-
Проверьте состояние сцепления и смазку: Перед регулировкой необходимо проверить состояние сцепления и убедиться, что все компоненты находятся в хорошем состоянии. Также рекомендуется проверить уровень и состояние смазки сцепления и при необходимости добавить или заменить смазку.
После выполнения всех этих шагов ваш автомобиль будет готов к регулировке сцепления. Важно не торопиться и провести все необходимые проверки, чтобы гарантировать правильность и качество регулировки.
Поднятие автомобиля
Поднятие автомобиля можно осуществить при помощи специального подъемника или гидравлического домкрата.
Перед поднятием автомобиля необходимо убедиться, что он находится на ровной и твердой поверхности. Затем следует обеспечить надежную опору для автомобиля, чтобы предотвратить его скольжение или смещение во время поднятия.
Для поднятия автомобиля при помощи гидравлического домкрата следует следовать следующим инструкциям:
- Разместите домкрат возле места подъема автомобиля, следуя рекомендациям производителя.
- Установите домкрат под кузов автомобиля в специально предназначенное для этого место. Обычно это близко к колесам или кузовной раме.
- Медленно поднимайте автомобиль, поворачивая рычаг домкрата в соответствующую сторону. Убедитесь, что домкрат плотно прижат к автомобилю и стабильно поддерживает его.
- Поднимайте автомобиль до необходимой высоты для выполнения ремонтных или других работ. Обычно это указано в инструкции по эксплуатации.
- После завершения работ медленно опускайте автомобиль, возвращая рычаг домкрата в исходное положение.
При использовании подъемника проведение работы по поднятию автомобиля становится более безопасным и удобным. Однако, необходимо следовать инструкциям по его использованию, чтобы избежать неправильного подъема или повреждения автомобиля.
Поднимая автомобиль, необходимо быть осторожным и соблюдать все меры безопасности. Неправильная процедура поднятия автомобиля может привести к серьезным травмам и повреждению автомобиля.
Доступ к механизму сцепления

Для правильной регулировки сцепления на Фольксваген Пассат Б5 необходимо иметь доступ к механизму сцепления. Последовательность действий такова:
1. Подготовка автомобиля
Перед началом работы необходимо обеспечить безопасность и подготовку автомобиля:
- Завернуть ручное тормоза и выключить зажигание.
- Установить автомобиль на ровную поверхность и заблокировать колеса.
- Поднять переднюю часть автомобиля с помощью домкрата и установить под ней подпорки.
2. Демонтаж защитного кожуха
Для доступа к механизму сцепления необходимо снять защитный кожух, который расположен под автомобилем. Кожух фиксируется болтами или зажимами. Ослабьте крепления и снимите кожух, аккуратно отводя его в сторону, чтобы получить доступ к сцеплению.
Важно: При снятии защитного кожуха следите за тем, чтобы не повредить другие элементы автомобиля.
3. Регулировка сцепления
После получения доступа к механизму сцепления можно приступить к его регулировке. Для этого следуйте инструкции, указанной в руководстве пользователя автомобиля или обратитесь к сервисной документации.
Примечание: Регулировка сцепления является сложной процедурой и требует определенных навыков и инструментов. Если у вас нет опыта или уверенности, лучше обратиться к профессионалам.
После завершения регулировки сцепления следует внимательно проверить его работу и убедиться в отсутствии посторонних шумов или необычного поведения автомобиля, особенно при переключении передач.
Порядок работы при регулировке сцепления
Шаг 1: Подготовка
Перед началом регулировки необходимо убедиться, что автомобиль находится на ровной поверхности и снят с ручного тормоза. Также следует отключить зажигание и убедиться, что трансмиссия находится в нейтральном положении.
Шаг 2: Настройка зазора
Следующим шагом является настройка зазора, который определяет идеальное положение педали сцепления. Для этого необходимо отвернуть контргайку и, при помощи специального ключа, вывернуть регулировочный винт.
Верхняя контактная пластина сцепления должна быть в контакте с поршнем главного цилиндра. После этого следует затянуть контргайку, чтобы надежно закрепить положение.
Шаг 3: Проверка уровня на сцеплении
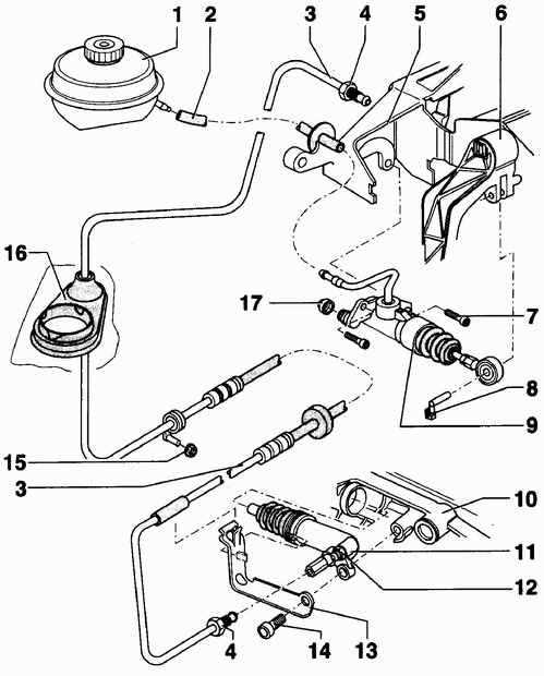
После настройки зазора следует проверить уровень жидкости в пластиковом резервуаре сцепления. Уровень жидкости должен находиться между MAX и MIN. В случае необходимости следует добавить специальную жидкость для сцепления до необходимого уровня.
Также рекомендуется проверить состояние трубок и соединительных шлангов на наличие повреждений или утечек жидкости. Если обнаружены проблемы, необходимо заменить поврежденные элементы.
Правильная регулировка сцепления на автомобиле Фольксваген Пассат Б5 позволяет обеспечить более плавное и комфортное переключение передач, а также продлить срок службы сцепления.
Установка оптимального зазора сцепления
- Поднимите автомобиль на подъемнике или установите его на подставки для поддержки задней оси.
- Отверните гайку крепления картера сцепления, чтобы освободить рычаг сцепления.
- Слегка нажмите на педаль сцепления, чтобы освободить сцепление и создать нужный зазор.
- Проверьте зазор, измерив расстояние между картером сцепления и рычагом сцепления с помощью измерительной линейки.
- Если зазор недостаточен, ослабьте гайку крепления картера и повторите процедуру, нажимая на педаль сцепления, пока не достигнете оптимального зазора.
- Закрепите гайку крепления картера сцепления, чтобы фиксировать установленный зазор.
После проведения всех необходимых действий рекомендуется проверить работоспособность сцепления на стационарном автомобиле и на дорожной поверхности, чтобы убедиться, что зазор установлен правильно и сцепление функционирует без сбоев.
Проверка правильности регулировки
После выполнения регулировки сцепления на Фольксваген Пассат Б5, необходимо проверить правильность выполненных действий для обеспечения правильной работы системы сцепления. Для этого следует выполнить следующие шаги:
Инструменты, необходимые для проверки:
Для проверки правильности регулировки сцепления вам понадобятся следующие инструменты:
- Датчик измерения диаметра сцепления
- Рулетка
- Набор ключей
Порядок проверки:
Для проведения проверки правильности регулировки сцепления на Фольксваген Пассат Б5, выполните следующие действия:
- Запустите двигатель и держите его работающим на холостом ходу.
- Нажмите педаль сцепления и удерживайте ее в нажатом положении.
- Проследите за отклонением стрелки датчика измерения диаметра сцепления.
- Используя рулетку, измерьте диаметр сцепления и сравните его с рекомендуемыми значениями, указанными в руководстве по эксплуатации автомобиля.
- Если диаметр сцепления выходит за пределы рекомендуемых значений, повторите регулировку сцепления и проверку правильности регулировки.
- После проверки правильности регулировки и установки диаметра сцепления в пределах рекомендуемых значений, убедитесь, что педаль сцепления отпускается без заеданий и срабатывает плавно.
Резюме:
Проверка правильности регулировки сцепления на Фольксваген Пассат Б5 включает проверку диаметра сцепления с помощью датчика, рулетки и набора ключей. Если диаметр сцепления не соответствует рекомендуемым значениям, необходимо повторить регулировку и проверку. После проверки убедитесь, что педаль сцепления отпускается без заеданий и срабатывает плавно.
Повторный подъем автомобиля
После проверки и регулировки сцепления на Фольксваген Пассат Б5 может потребоваться повторный подъем автомобиля. Это может быть необходимо, если после регулировки сцепления обнаружены дополнительные проблемы или если требуется продолжить работы на подвеске или трансмиссии.
Однако, перед повторным подъемом автомобиля необходимо убедиться, что подъемные устройства и оборудование в полной безопасности, а также что автомобиль установлен в безопасном и устойчивом положении.
Для повторного подъема автомобиля рекомендуется использовать специальное оборудование, такое как гидравлический домкрат или подъемник. Не рекомендуется использовать простые домкраты или другие подъемные устройства, которые не обеспечивают достаточную безопасность.
При повторном подъеме автомобиля рекомендуется следовать инструкциям производителя оборудования и учитывать рекомендации по безопасности. При необходимости обратитесь к специалистам или авторизованному сервисному центру для получения консультации и помощи в правильном подъеме автомобиля.
Закрепление механизма сцепления
Механизм сцепления на Фольксваген Пассат Б5 нужно правильно закрепить, чтобы обеспечить его надежную работу. В этом разделе мы рассмотрим основные шаги по закреплению механизма сцепления на данной модели автомобиля.
Проверка исправности
Перед закреплением механизма сцепления необходимо убедиться в его исправности. Проверьте состояние выжимного подшипника, муфты сцепления и всех соединений. Если вы обнаружили повреждения или износ деталей, замените их перед продолжением работ.
Закрепление механизма сцепления
Для закрепления механизма сцепления выполните следующие действия:
- Ослабьте крепежные болты механизма сцепления с помощью соответствующего инструмента.
- Установите механизм сцепления на свое место.
- Закрепите механизм сцепления, тщательно затянув соответствующие крепежные болты.
- Проверьте, что механизм сцепления установлен правильно и надежно закреплен.
После закрепления механизма сцепления необходимо провести тестовую поездку и проверить его работоспособность. В случае необходимости, отрегулируйте сцепление в соответствии с рекомендациями производителя.
Отбортовка дисков сцепления
В процессе регулировки сцепления на Фольксваген Пассат Б5 может потребоваться выполнение операции по отбортовке дисков сцепления. Эта процедура необходима для восстановления гладкости поверхности дисков и обеспечения нормальной работы сцепления.
Для отбортовки дисков сцепления потребуются следующие инструменты:
- Шлифмашина;
- Шлифовальные круги различной зернистости;
- Заточной станок;
- Зажимной приспособление для дисков сцепления.
Шаги выполнения процедуры отбортовки дисков сцепления:
- Снимите диск сцепления с автомобиля.
- Закрепите диск в зажимном приспособлении на шлифовальном станке.
- Заготовьте шлифовальные круги с различной зернистостью. Рекомендуется начинать с круга с крупным зернистым материалом и постепенно переходить к кругу с мелким зернистым материалом, чтобы достичь требуемой гладкости.
- Включите шлифовальную машину и аккуратно прошлифуйте поверхность диска сцепления. Двигайтесь по кругу, следя за равномерной обработкой всей поверхности.
- После каждого прохода смените шлифовальный круг на более мелкозернистый и повторите операцию. Продолжайте до тех пор, пока поверхность диска не будет полностью отшлифована и приобретет необходимую гладкость.
- Обратите внимание на то, чтобы не сильно нагреть диск в процессе отбортовки. Регулярно проверяйте его температуру и при необходимости позволяйте ему остыть.
- После завершения отбортовки диска очистите его от остатков шлифовального материала и пыли.
После выполнения отбортовки дисков сцепления убедитесь в гладкости и ровности их поверхностей. В случае обнаружения дефектов или неправильности, повторите процедуру отбортовки или обратитесь к специалистам.