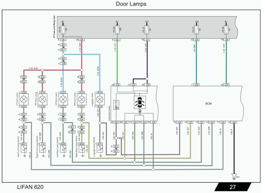
Лифан Солано 620 — это популярный седан, выпускаемый одной из крупнейших автомобильных компаний Китая. Этот автомобиль имеет современный дизайн и прекрасные технические характеристики. Чтобы эта машина функционировала должным образом, необходимо иметь представление о его электрооборудовании. Схема […]

Лифан Солано — это популярный автомобиль, который пользуется большой популярностью благодаря своим надежным характеристикам и комфортному интерьеру. Износ или повреждение задних тормозных колодок — обычная проблема для владельцев этой модели. Важно своевременно заменить задние колодки, чтобы […]

Лифан Солано – это популярный седан среднего класса, который отличается надежностью и комфортабельностью. Однако, неисправности лифтбека могут возникать время от времени, и одной из таких проблем может быть блокировка дверей. Если у вас возникла подобная проблема, […]

Глушитель является важной частью выхлопной системы автомобиля Lifan X60. Его основная задача – снижение уровня шума и тонких тонов газовых выбросов двигателя. Но что делать, если при эксплуатации автомобиля вы замечаете, что глушитель начинает дребезжать? Дребезжание […]

error: Content is protected !!